हामीलाई इमेल गर्नुहोस्
उत्पादनहरू
Tak pnummumatt Tuggte टगल भल्भ
  • Tak pnummumatt Tuggte टगल भल्भTak pnummumatt Tuggte टगल भल्भ

Tak pnummumatt Tuggte टगल भल्भ

व्यावसायिक निर्माणको रूपमा, ओल्किले तपाईंलाई Tak pnumeatt taggtult भग्नावश प्रदान गर्न चाहान्छ। र ओल्केले तपाईंलाई उत्तम पछि-बिक्री सेवा र समयमै वितरण प्रस्ताव गर्दछ।

TAC PNumumT Tumgl Tuggle (एक स्विच भल्भ को रूप मा पनि थाहा छ) एक सटीक स्विच कम्पोनेन्ट हो Ponummatic प्रणाली र तरल पदार्थ नियन्त्रण को लागी डिजाइन गरिएको। यसको अनुपम टेलगल-प्रकार नियन्त्रण संरचनाको साथ, यसले द्रुत स्विच गर्दै र तरल मार्गहरूको द्रुत स्विच र सटीक नियन्त्रण प्राप्त गर्दछ।

TAC श्रृंखला टगल गर्नुहोस् भल्भ 2 स्थिति 2 स्थिति 2 स्थिति 2 स्थिति, 2 स्थिति are तरीका र 2 स्थिति 5 way way तरीका छनौट गर्न सकिन्छ

अनुप्रयोग परिदृश्यहरू

औद्योगिक स्वचालन उपकरण, मेकानिकल प्रशोधन, निर्माण सामग्री प्रशोधन, उर्जा र खानी, खाना र पेय पदार्थ, चिकित्सा उपकरण, आदि।

उत्पादन सुविधाहरू

यो आकारमा सानो छ, सानो स्थापना ठाउँको आवश्यक छ, र अन्यसँगको रूपमा सञ्चालन गर्न अन्यसँगै सञ्चालन गर्न आवश्यक छ भने यसलाई बारम्बार स्विच आवश्यक पर्दछ।

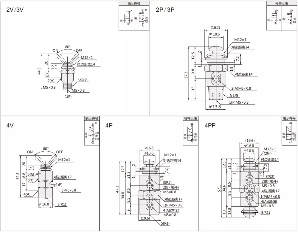
Tac टगल टगल भल्भ प्रतीक र रूपरेखा

निमंधित कोड

टिय

2

__

2

P

 

 

 

 

 

Taac श्रृंखला टगल गर्नुहोस्

 

 

2: 2Position 2 तरिका (M5)

P: पुश-पुल बटन प्रकार

 

 

 

:: 2 स्थिति 3 मार्ग (M5)

V: ह्यान्ड लीभर प्रकार

 

 

 

:: 2 शक्ति out मार्ग (M5)

PP: डबल धक्का-पुल बटन

 

 

 

: 1: 2 स्थिति 3 मार्ग (g1 /))

 

 

 

 

41: 2 शक्ति out मार्ग (g1 /))

 

 

नमुना

पोर्ट आकार

 

संख्या
स्थिति को

प्रभावकारी  
क्रस-अनुभागीय क्षेत्र

दबाव दायरा

काम गर्ने तरल पदार्थ

परिवेश
ताप

 

Tac-2V

Inet = आउटलेट = m5   

2 स्थिति 2 तरीका

1.9mm²

0.05 ~ 0.9ppa

रगढग

0 ~ 60

Tac-2p

Inet = आउटलेट = m5   

2 स्थिति 2 तरीका

1.9mm²

Tac-3V

Inet = आउटलेट = m5   

2 स्थिति 3 मार्ग

1.9mm²

Tac-3p

Inet = आउटलेट = m5   

2 स्थिति 3 मार्ग

1.9mm²

Tac-4V

Inet = आउटलेट = m5   

2 स्थिति are बाटो

1.9mm²

Tac-4p

Inet = आउटलेट = m5   

2 स्थिति are बाटो

1.9mm²

Lot

G1 /।

 

2 स्थिति are बाटो

.5.5mm²

Tac2--31v

Inlet = आउटलेट = निकास = g1 / en   

2 स्थिति 3 मार्ग

.5.5mm²

Tac2-31P

Inlet = आउटलेट = निकास = g1 / en   

2 स्थिति 3 मार्ग

.5.5mm²

Tac2-41v

Inlet = आउटलेट = G1 / end निकास = m5

2 स्थिति are बाटो

.5.5mm²

TaC2-41P

Inlet = आउटलेट = G1 / end निकास = m5

2 स्थिति are बाटो

.5.5mm²

Tac2-4141PP

Inlet = आउटलेट = G1 / end निकास = m5

2 स्थिति are बाटो

.5.5mm²

FQS:

टगल भल्भ र मेकानिकल भल्भको बीचमा के भिन्नता छ?

यो नियन्त्रण प्रकार द्वारा टोगगल र यांत्रिक भल्भलाई छुट्याउन सकिन्छ: टगल भुटेको लेभर होल्डिंग प्रकार, मेकानिकल भल्भ एक धितो-पुल बटन प्रकार वा रोलर प्रकार हो

 

टगल भल्भ र अन्य भेलभ्स बीच के भिन्नता छ?

सटीक नियन्त्रण: टगल टगटल्स एक कल्पित भल्भ कोर मार्फत राम्रो प्रवाह नियम प्राप्त गर्दछ, जुन सानो-व्याकरण पाइपलाइनहरूमा उपयुक्त छ, जबकि बल भल्भलाई द्रुत खुल्दा र बन्द गर्नका लागि बढी उपयुक्त हुन्छ।

हट ट्यागहरू: Tak pnummatic Toggt Tuggve, चीन, निर्माता, आपूर्तिकर्ता, कारखाना
सोधपुछ पठाउनुहोस्
सम्पर्क जानकारी
  • ठेगाना

    ज्थात्दै सडक, XIATAGNG औद्योगिक क्षेत्र, लिजी, येन्जी, वेन्जाउ, चीन, चीन, चीन।

  • टेलिफोन

    86-0577 57178620

  • इ-मेल

    cici@olkptc.com

हाम्रो वेबसाइटमा स्वागत छ! हाम्रा उत्पादनहरू वा मूल्यसूचीको बारेमा सोधपुछको लागि, कृपया हामीलाई तपाईंको इमेल छोड्नुहोस् र हामी 24 घण्टा भित्र सम्पर्कमा हुनेछौं।
समाचार सिफारिसहरू
इ-मेल
cici@olkptc.com
टेलिफोन
86-0577 57178620
मोबाइल
+86-13736765213
ठेगाना
ज्थात्दै सडक, XIATAGNG औद्योगिक क्षेत्र, लिजी, येन्जी, वेन्जाउ, चीन, चीन, चीन।
X
हामी तपाईंलाई राम्रो ब्राउजिङ अनुभव प्रदान गर्न, साइट ट्राफिक विश्लेषण र सामग्री निजीकृत गर्न कुकीहरू प्रयोग गर्छौं। यो साइट प्रयोग गरेर, तपाईं कुकीहरूको हाम्रो प्रयोगमा सहमत हुनुहुन्छ। गोपनीयता नीति
अस्वीकार गर्नुहोस् स्वीकार गर्नुहोस्